Decoders and Encoders
Objectives
We would like to :
- Discuss how to implement a decoder
- Discuss and implement an encoder
Notes
- Build a truth table for decoder outputs (2 input bits please)
- This is simply just each of the minterms.
- An encoder takes 2n inputs and produces n outputs
- But only one of the input lines can be active at a time.
- The input line represents a number 0 - 2n-1
- The output lines represent the bits that number is coposed of.
- In addition, the encoder may have a valid bit output.
- This is used to record that only one of the input lines is high.
- A priority encoder can have more than one input bit high.
- It returns the value of the "highest" line
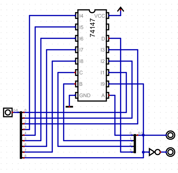
- The 74147 is a chip that implements this.
- Note, the logic is backwards, ie the not of the line set is output.
-
- The digital file
- This can be implementd with a buch of don't cares
-