Introduction to Registers
Objectives
We would like to :
- Begin to investigate basic "stock" components
Notes
- This is from Carpinelli chapter 4.
- And I will supplement this with other material.
- We have learned how to design our own basic circuits.
- But there are a number of pre-designed components that are very useful.
- The Decoder is one of these.
- But a side trip into registers.
- I want the register as an example for now.
- Later we will be back to discuss registers in detail.
- Registers are the place we store data when performing calculations in the CPU
- They are stock components.
- A CPU normally has between 1 and 32 of them for general purpose use.
- A CPU has a number of special purpose registers as well.
- Registers hold a n bits of data.
- Registers are an example of sequential circuits.
- The Simplest Registers Have
- an n bit data in line, D
- an n bit data out line, Q
- A clock line, C
- A an enable line, EN, sometimes EN
-
- A register will store the data on D in the register when the clock changes from low to high.
- To do so
- Place the data on the d line
- Hold this for the setup time
- Enable the register (might be a 0)
- Change the clock from low to high
- Hold data for a the hold time
- There might be an additional time for the register to "stabilize" and the output data to become usable.
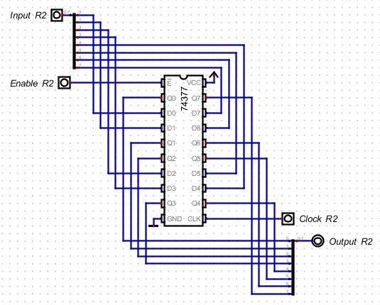
- There are registers in Digital
- There are also a number of registers on a chip, the 74377 is one.
- data sheet.
- Timing for the 74377
- Again, we will build registers later.
- Digital File.
- In a modern computer, we will probably have multiple registers.
- The instruction will contain the register we wish to select.
-
load r3, 3421 says to load 3421 into register 3.
- The value 3 is hard coded into this instruction.
- So we will need a mechanism to select register 3.